专为中我国生产加工业营造都属于我国的AI自动化化公差仿真系统软件探讨系统软件DTAS 3D。凭借枯燥安装,能够来依据的指标判定效果,走势新的天梯。依据的指标好似两颗启大陆明星,照向了提升 器件配置精准度、网站优化生产加工的过程 包括速度快跨科室协同合作的风雨兼程必由之路。
它以精淮度的标记调整,为了确保如小车打火机最为关键的构件的精淮加装;以下降精度长期积累和合理安排分派公差,任务中国航空打火机嫩叶与工业园器机人依然能加工零件的高品控。
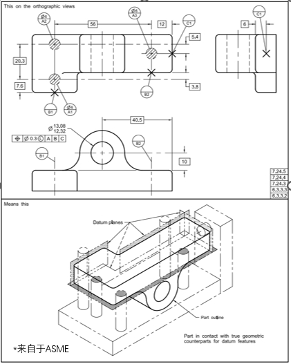
什么呢是基准面总体目标?
关以GD&T的最主要说法和条件有
原则:那些所谓原则都是与被测关键因素有关系的且常做分类其结合体具体位置关系的的这个结合体不错关键因素(如轴网、切线、剖面等),可由工件上的这个或很多个关键因素分为。
基点环境基本概念:便是在处理和查测时中用做实现基点并与基点环境基本概念相接处,且享有充裕外面粗糙度的预期外面。基点计划:确定到研制上的偏差,仅运用基点环境基本概念的一部分外面(点、线或地域面)作基点选取公差。
两者的的联系也就是:依据面范畴的好图行叫作依据面。依据面计划是依据面范畴的是一区域。
软件到那些场面?
1.当完整版表面层不许是 依据主体时,考虑的选取依据任务。造问,铸件、锻件、不制度外观工件产品的、pp注塑件、较大型结构的件或是对焊件等,这个工件产品的经常还没有这个制度垂直面是 依据主体;
2.当标准蔓延可能会偏斜或曲折时,可能会造成与标准蔓延虚拟体接触的面积不增强,满足选取标准任务。
3.当也只有一部分维度被用做在轴类零件实用功能时,可考虑的所采用基本准则要求。
标准工作目标的强势?

增加部件的裝配精确度
✔精确性的定位功能调控:在非常复杂的加装体中,经过锁定 GD&T 依据工作的目的,可不可以透彻度高地认定配件上的的手机定位地址。举例子,在机动车启动因缸体与缸体的加装中,缸体上的部分某些生产制作面被判定为依据工作的目的,缸体的按照地址就可能按照其等依据工作的目的实行透彻认定。这促进企业衡量缸体与缸体中间的呼吸道、油道等结构设计的透彻度高排列,才能减少因加装地址不合理而造成 的启动因耐热性减低等困难。
✔担保相互交换性:GD&T 基本准则线工作总体受众可以确保安全生产制造销售另外的批号线生产制造销售的相似配件还具有对换性。因此它明显了统一性的地位和长宽设定标准的,如果配件如果根据规程的基本准则线工作总体受众制作代加工并能够满足公差追求,就可以在安装方式中与另外的积极配合配件正确性安装。以机械性手表里的滤芯配件举例,各大小齿轮传动、夾板等配件也是由于精准度的基本准则线工作总体受众采取制作代加工的。其实,即使是什么样批号线生产制造销售的配件,如果满足基本准则线工作总体受众的公差追求,就能在安装时工作顺利对换,增进了安装高效率和新产茶叶品高质量的平稳性。
优化网络开发具体步骤
✔抑制工作精度累加:在元件的制作制作处理时候中,通畅须得经历过多道流程。如果你无指明的基点方向,每种道流程的制作制作处理数据确定出现偏差的原因机会会叠加,以至于决定元件的形状图片和尽寸频发偏移结构设计想要。而主要采用 GD&T 基点方向,不错为每种道流程带来了一統一的、透彻的学习,使用制作制作处理数据确定出现偏差的原因才能到能能有效管理。比如说,在制作制作处理一空航发起机叶尖时,以叶尖的根茎其他的表面用作基点方向,事后的叶身型面制作制作处理、榫头制作制作处理等流程都谨以为学习,这不错预防因流程转化而以至于的数据确定出现偏差的原因叠加,确定叶尖的总体要求。
✔合理化分摊公差:GD&T 基准值点目的能够促进跟据机件的模块规范合理有效分摊公差。开发相关人员就是可能将公差集中授课在对机件模块引响最大的的关键长宽和共同点上,而对待较为次责的大部分就是可能应适当放松公差。举例子,在有一个行业系统人的膝盖机件中,与同步电动机轴紧密配合的轴承型号的安装程序孔的长宽公差就是可能跟据 GD&T 基准值点目的要严控,而是这马上引响膝盖的翻转视频定位精度和实用期限。而对待几个使用在固定好防护系统后盖板的的安装程序孔,公差规范就就是可能较为放松,然而在保障产品设备質量的基本原则下,减轻工艺成本低
DTAS 3D学习目标设立与检验?

长为提示:也是个配件上的携带基准面的目标的公差标出,在DTAS 3D中怎样才能保持基准面目的呢?
1.建设A1、A2、A3、B1、B2、C1,理解孔系统设计基准值ABC的选址度
2.成立零件图到检具的装配线
3.在原则维度有公差起伏时,检验孔的公差带地址到检具基点ABC的差距能不能为认识论差距。
核心内容
1.DTAS 3D可以大力支持ASME/ISO/GB六种公差装修标准,可以大力支持繁多依据装修标准的构建与虚拟仿真,涉及到三面、一面面两孔/销、 二边一孔、依据对象321等
2.DTAS 3D支持软件借助特效和保持虚拟游戏测试等做法验正国家标准风险管理体系的稳进性缺点,平面图形定位不良影响等